cart icon0

E1-40X16 | Держатель инструмента

Артикул
E1-40X16
блок для поддержкти инструмента
блок для поддержкти инструмента
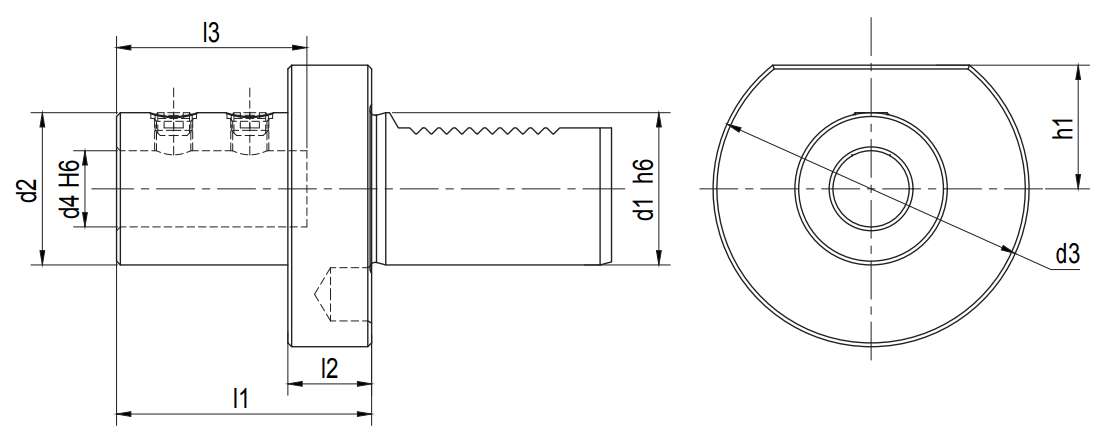
d3
83
d2
36
Тип блока
VDI
d1
40
d4
16
h1
32.5
L2
22
L1
67
L3
54
Количество на складе
0
В корзину