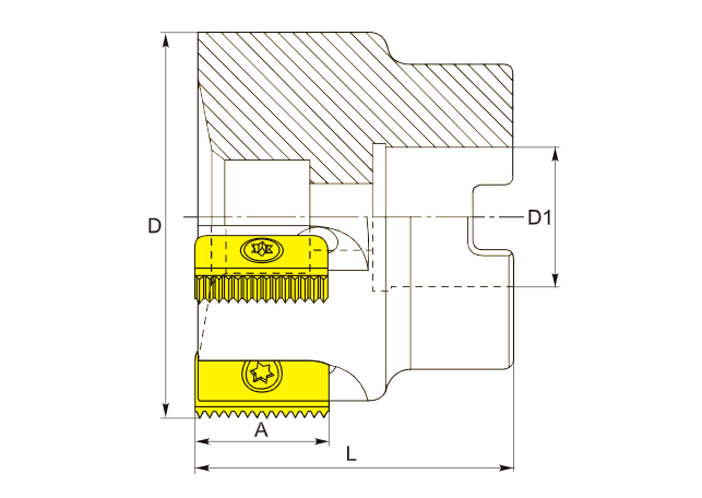
Корпус резьбонарезной фрезы
| Наименование | На складе | Мин. диам. резьбы D | D1 | D2 | L1 | L |
|---|---|---|---|---|---|---|
| TG-21R21-WHC | 0 | 21 | 16 | 200 | ||
| TG-27Q30-WHC | 0 | 27 | 20 | 180 | ||
| SR0025K21 | 25 | 20 | 35 | 125 |
| Наименование | На складе | Мин. диам. резьбы D | D1 | D2 | L1 | L |
|---|---|---|---|---|---|---|
| SR0050C14-5 | 1 | 50 | 22 | 8.9 | 50 | 50 |
| SR0063C21-5 | 1 | 63 | 22 | 8.9 | 23 | 50 |
| SR0063C30-4 | 1 | 63 | 22 | 50 |
| Наименование | На складе | Мин. диам. резьбы D | D1 | D2 | L1 | L |
|---|---|---|---|---|---|---|
| ST90-14.5R1T14-B20 | 14.5 | 20 | 11 | 25 | 85 | |
| ESR0021J21-D20 | 20 | 20 | 16.6 | 36 | 125 | |
| SR0012F14 | 12 | 20 | 8.9 | 23 | 80 | |
| SR0009H12-D16T | 9.5 | 16 | 7.5 | 14 | 109 | |
| SR0029J30 | 29 | 25 | 22 | 52 | 109 | |
| SR0018H21 | 18 | 20 | 13.8 | 35 | 85 |