cart icon0

E2-40X12 | Держатель инструмента

Артикул
E2-40X12
блок для поддержкти инструмента
блок для поддержкти инструмента
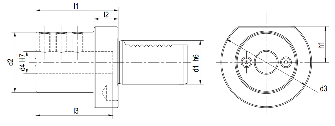
d3
83
d2
55
Тип блока
VDI
d1
40
d4
12
h1
32.5
L2
22
L1
75
L3
58
Количество на складе
1
В корзину