cart icon0

E4-30x32 | Держатель инструмента

Артикул
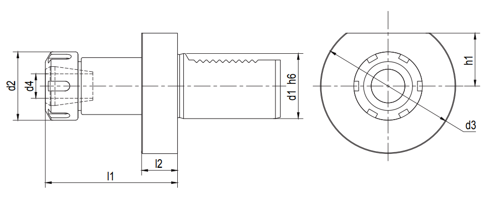
E4-30x32
блок для поддержкти инструмента
блок для поддержкти инструмента
d3
68
Диапазон зажима
2-20
d2
50
Тип блока
VDI
d1
30
h1
28
L2
22
L1
78
Количество на складе
1
В корзину