cart icon0

LNMX090603-GL-GSM7130 | Пластина фрезерная твердосплавная

Артикул
LNMX090603-GL-GSM7130
GESAC
пластина фрезерная LNMX090603-GL-GSM7130 бренд GESAC
пластина фрезерная бренд GESAC
Геометрия
Форма пластины
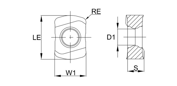
Размер фрезерной пластины
RE, мм (r)
1
Обрабатываемый материал
M
S
Тип обработки 1
Получистовая
D1
3.3
S
3.4
Сплав пластины
GSM7130
Стружколом
GL
LE (L)
9
W1
6.3
Количество на складе
20
В корзину