cart icon0

LNMX120705-GM-GS4130 | Пластина фрезерная твердосплавная

Артикул
LNMX120705-GM-GS4130
GESAC
фрезерная пластина LNMX120705-GM-GS4130 бренд GESAC
фрезерная пластина LNMX бренд GESAC
Тип
Пластина фрезерная твердосплавная
Геометрия
Форма пластины
Размер фрезерной пластины
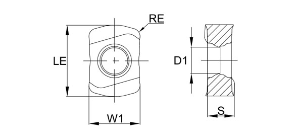
RE, мм (r)
1.5
Обрабатываемый материал
M
S
Тип обработки 1
Получистовая
D1
4
S
4.2
Сплав пластины
GS4130
Стружколом
GM
LE (L)
11.9
W1
9.1
Количество на складе
70
В корзину